Ventilair Engineers Pvt. Ltd.

Ventilair Engineers Pvt. Ltd.

+91-7678697164

ventilairengineerspvtltd@gmail.com

Effluent Treatment System Manufacturers in Gurgaon

Ventilair Engineers Pvt. Ltd. is a manufacturing Servicing based company & Our after sales part is very good, We believe in mouth to mouth publicity which we can earn by our quality & after sales services and it is the best way of advertisement, Repeat order shows it, we have many groups where we installed back to back ( 10-15) plant. This is called client satisfaction Ventilair Engineers Pvt. Ltd. served is many field as :

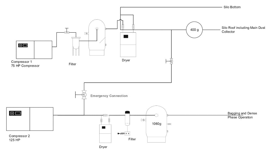
Pneumatic Piping System & Workshop Automation

Pneumatic piping is used to provide compressed air to the usage points for workshop automation, basically join the connection with compressor pressure will be depend on volume of air or work. The compressed air requires to be delivered with appropriate quality, adequate volume, and pressure to accurately power the components that utilize the compressed air. Completely air tight and simple to mount, the range is ideal for installations requiring the highest quality air. The range is best suited for compressor due to its nil leakage and nil corrosion features. Pneumatic piping needs in big & small both industry which use pneumatic tools or automation

Type of pneumatic piping :

  1. GI PIPING THREADED
  2.  MS WELDED PIPING
  3. COMPOSITE PIPING
  4.  ALIMUNIUAM PIPING

2- Pneumatic Accessories

  1. Mosture Separetor
  2. Air Compressor
  3. Air impact Wrinch
  4. House Pipe
  5. Spires house pipe
  6. FRL ( Filter Regulator Lubricant )
  7. Pipe & Fittings
  8. QRC ( Quick Release Coupler )

SERVICES & SUPPLY OF SPARE PARTS

1. ETP, STP;oils & Grease Trap & Oil Skimmer Manufacturer
2. Complete Plant Installation
3. Operation & Maintenance
4. Consultation
5.SPARE & CONSUMABLE SUPPLIER

  1. FILTER VESSELS (MS & FRP)  MULTIGRAND SAND FILTER VESSELS ACTIVATED CARBON
  2. FILTER VESSELS FILTER PRESS & FILTER CLOTH (MANUAL HYDROPHILIC)
  3. TWIN LOBE AIR BLOWERS (SIDE CHANNEL BLOWER)
  4. OZONATOR
  5. ULTRA VOILET (For Disinfection)

6.  ALL PUMPS

  • DOSING PUMPS
  • SUBMERSIBLE PUMPS
  • DEWATERING PUMP / TREATED WATER PUMP
  • CUTTER PUMPS
  • FILTER PRESS FEED PUMP

7. FILTER MEDIA

  • SAND MEDIA
  • ACTIVATED CARBON
  • MEDIA MBBR MEDIA
  • TUBE DECK MEDIA
  • BRIM MEDIA

8. DOSING MATERIAL

  • LIME
  • ALUM
  • POLY ELECTROLYTE
  • HYPO CHLORIDE
  • CASTIC
  • EM SOLUTION ETC

 

9. DIFFUSES

  • COARSE BUBBLE (DISK TYPE)
  • FINE BUBBLE (TUBULAR/MEMBRANE TYPE)

9. FLOW METER

  • WATER FLOW METER(MANNUAL)
  • WATER FLOW METER(DIGITAL)
  • WATER FLOW METER(ELCEROMAGNETIC)
  • PH METER
  • PH STRIP
  • PH SENSOR & WATER SENSOR

10. MULTIPORT VALVES
11. PVC UPVC, G.I PIPE FITTINGS & ACCESSORIES
12. FILTER PRESS
13. CENTRIFUGE

(MINI DOSE) DOSING-PUMP
BIO PACK
BLOWVACC-AERATION-BLOWER
CENTRIFUGE
DIFF USERS
DIGITAL PH METER
DISK TYPE DIFF USER
ELECTROMAGNETIC WATER FLOW METER
EM SOLUTION
FILTER MEDIA
FILTER PRESS
FILTER VESSELS MS
FILTER VESSELS
LEGRIS FRL
LIME ALUM POLY
MULTIPORT VAVESL
NPSKT- 30 (3HP) Air Compressor
OZONATOR
PH STRIPS
ROTA ETER
SEWAGE PUMP
TUBE DACK
ULTRA VOILET SYSTEM FOR STP
WATER FLOW METERS
Call Now Button