VEPL – Plug & Play STP (MSFRP Capsule-Type Sewage Treatment Plant)
A Next-Generation Overground STP System with Advanced MBBR + Filtration Technology
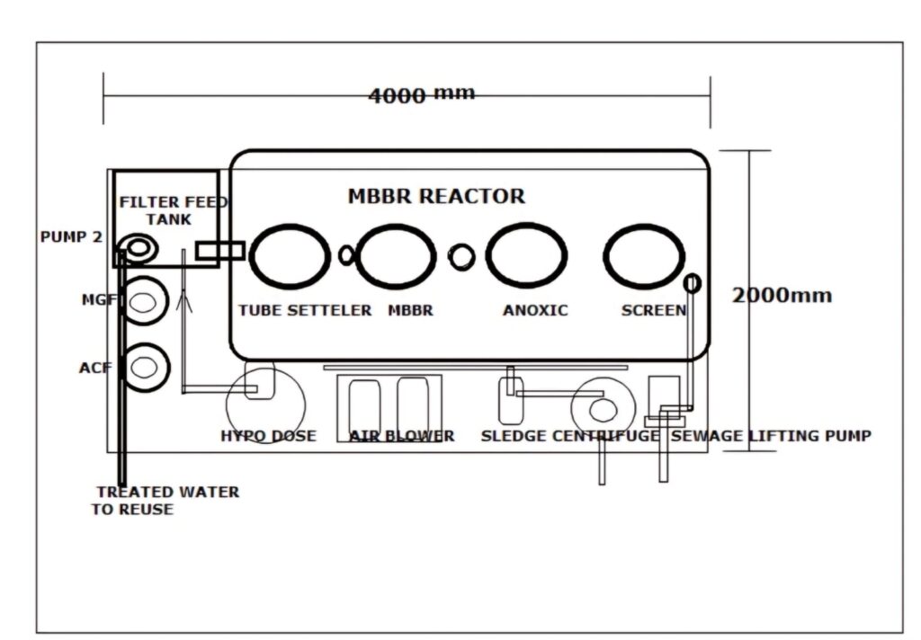
Ventilair Engineers Pvt. Ltd. (VEPL) introduces an innovative and uniquely engineered Plug-and-Play Sewage Treatment Plant (STP) – a Capsule-Type MSFRP (Mild Steel with FRP Coating) system that is superior to traditional FRP capsules. This over-the-ground STP unit comes pre-fabricated, pre-wired, and pre-tested, offering rapid deployment, low maintenance, and high performance for small to mid-sized establishments.
Unlike standard FRP capsules, VEPL’s MSFRP capsule is more robust, corrosion-resistant, and fully integrated with multi-stage treatment that includes settling, MBBR biological treatment, multi-grade filtration (MGF), activated carbon filtration (ACF), and sludge management with filter press. Ultrafiltration (UF) is also available as an on-demand final polishing stage.


Technical Specifications
Feature | Specification |
Design Type | Overground Pre-Fabricated MSFRP Capsule-Type |
Technology | Settling + MBBR + MGF + ACF + Optional UF |
Capacity Range | 1 KLD – 100 KLD |
Installation | Plug & Play – Ready to install with minimal site prep |
Material | MSFRP (Mild Steel + FRP-Lined Body) |
Automation | Manual / Semi-Automatic / Fully Automatic |
Power Supply | 230V / 415V, 1-phase/3-phase as per size |
Odor Control | Integrated Activated Carbon Vent System |
Sludge Handling | Filter Press or Sludge Drying Bed |
Disinfection | UV / Chlorine |
Optional Add-ons | Ultrafiltration (UF), IoT Monitoring, Solar Backup, Skid Mounting |
Compliance | CPCB / SPCB Standards for Water Reuse |
Inlet & Outlet Water Parameters – Stage-Wise Breakdown
- Primary Treatment
(Screening → Oil & Grease Trap → Settler Tank)
Parameter | Raw Sewage (Inlet) | After Primary Treatment |
BOD | 250–400 mg/L | 150–200 mg/L |
COD | 500–700 mg/L | 300–450 mg/L |
TSS | 200–350 mg/L | 100–150 mg/L |
pH | 6.5 – 8.5 | 6.5 – 8.5 |
- Secondary Treatment (MBBR Technology)
(Biofilm Reactor + Tube Settler)
Parameter | After Primary | After Secondary Treatment |
BOD | 150–200 mg/L | < 30 mg/L |
COD | 300–450 mg/L | < 100 mg/L |
TSS | 100–150 mg/L | < 30 mg/L |
- Tertiary Treatment
(MGF + ACF + UV/Chlorination)
Parameter | After Secondary | After Tertiary Treatment |
BOD | < 30 mg/L | < 10 mg/L |
COD | < 100 mg/L | < 30 mg/L |
TSS | < 30 mg/L | < 5 mg/L |
Odor & Color | Present | Odorless, Colorless |
- Optional Ultrafiltration (UF) Stage
(Final Polishing for Water Reuse in Flushing, Gardening, Cooling, etc.)
Parameter | After Tertiary | After UF Output |
BOD | < 10 mg/L | < 5 mg/L |
TSS | < 5 mg/L | < 1 mg/L |
Turbidity | < 5 NTU | < 1 NTU |
Pathogen Removal | > 99% | > 99.99% |
Key Benefits of VEPL Plug & Play Capsule STP
- Next-Gen MSFRP Design – Stronger & longer life than standard FRP systems
- Over-the-Ground Installation – No excavation required
- Rapid Deployment – Commissioned within 2–5 days
- Compact & Aesthetic – Ideal for space-constrained sites
- Fully Integrated System – Includes sludge, disinfection & filtration modules
- Zero Odor & Noise – Quiet and environment-friendly operation
- Custom Add-ons – UF, IoT-based monitoring, solar integration, etc.
- Designed for 100% Reuse – Complies with all environmental norms
Ideal Applications
- Residential Apartments & Villas
- Hotels, Resorts & Guest Houses
- Hospitals & Clinics
- Schools, Colleges & Hostels
- Commercial Buildings & Malls
- Small Factories & Food Outlets
- Farmhouses & Remote Sites
Why Choose VEPL?
- Over 1500+ STP/ETP installations across India
- Turnkey Expertise – Design → Fabrication → Installation → AMC
- Pre-fabricated systems delivered anywhere in India or abroad
- CPCB/SPCB approved & environmentally compliant
- Customization available for capacity, shape & automation level